
| 产品名称: | 偏心半球阀 | 产品型号: | PBQ340H |
| 驱动方式: | 手动,电动,气动 | 连接形式: | 法兰 |
| 结构形式: | 偏心半 | 密封结构: | 硬密封,软密封 |
| 压力范围: | 1.6MPa-10MPa | 公称通径: | DN50-1000 |
| 常用材质: | 铸钢,不锈钢等 | 铭牌: | 雄工品牌 |
| 产品说明 | 相关产品 | 订货流程 |
偏心半球阀,PBQ340H偏心半球阀具有开启力小,关闭能破除结垢障碍,实现密封性能好等特点,耐磨。偏心半球阀的耐磨腐蚀材质,因而被广泛的应用在水,蒸汽,污水,石油化工,天然气,溶液及矿浆等两相介质,及尘埃气体等的理想传输设备。
偏心半球阀是一种实用操作型的产品,其执行机构上配备液动执行装置,更方便用户操作轻便,远距离自动化操作,发展了半球阀的用途范围,特别在恶劣的环境下不方便与人工操作或常开动作时,配套自动化电脑操作情况下。
偏心半球阀,PBQ340H偏心半球阀的结构原理是半球体中线与阀杆中线偏置尺寸,与阀座中线偏置尺寸,全开时球体与阀座完全脱开,并有一定的间隙,回转半径分为长半径和短半径,在长半径转动轨迹的切线会与阀座密封面形成一个θ角,在阀门启闭时,半球相对阀座面有一个渐出脱离和渐入挤压的作用,从而降低了启闭时阀座与半球之间的机械磨损和擦伤,使用寿命。
偏心半球阀,PBQ340H偏心半球阀产品标准规范:1.设计与制造:GB/T12237
2.压力试验:GB/T13927
3.法兰连接尺寸;GB/T9113.1-9113.4、 GB/T17241.6、JB/T79.1-79.4 、HG20596
偏心半球阀,PBQ340H偏心半球阀 产品【适用工矿】:可广泛应用于含纤维,固体颗粒,粉尘,料浆,污水及易结晶等各种介质的管道系统,作启闭及调节流量用。
偏心半球阀【产品特色】:
1.产品采用半球结构,卧装方式,开启后半球体位于通道上方,完全脱离通道,因此阀门流通能力大,不沉积杂质.
2.半球体采用三偏心结构,开启时迅速脱离阀座,有效防止密封面的摩擦损伤,并减小了操作力矩,延长了阀门的寿命。
3.半球体高硬度密封面与金属阀座配合具有剪切作用,能剪断铁丝及各种纤维织物,不缠绕,不沉积。是污水处理系统首选阀门。
偏心半球阀,PBQ340H偏心半球阀特点如下:
1. 开关方便:启闭时球面与阀体相脱离,无任何接触,扭矩小,转动灵活,启闭时半球阀座的剪切作用能切去密封面上的结垢及粘连物,能保持密封严紧。
2. 直通式:单向密封和偏心式结构,开启时球与阀体相脱离,流道直通,不会出现卡、堵现象。
3. 阀门属于硬密封结构,密封副根据不同介质,使用不同的耐磨合金材质,而且还具有坚硬的耐磨性与相应的耐腐蚀性。
4. 密封面的偏心结构使球面能自动补偿磨损,保持阀门的密封性,使用寿命长,安全可靠。
偏心半球阀实物图

| 公称压力(Mpa) | 0.6 | 1.0 | 1.6 | 2.5 | 4.0 |
| 公称通经(mm) | 40-600 | 40-600 | 40-600 | 40-600 | 40-600 |
| 密封试验压力(Mpa) | 0.66 | 1.1 | 1.76 | 2.75 | 4.4 |
| 壳体试验压力(Mpa) | 0.9 | 1.5 | 2.4 | 3.75 | 6.0 |
| 适用温度(℃) | -29~300、-29~425、-29~540 | ||||
| 适用介质 | 清水、海水、污水、酸碱等液体、料浆、蒸汽、燃气、油类 | ||||
| 驱动方式 | 手动、电动、气动 | ||||
| 连接形式 | 法兰连接、对夹连接 | ||||
| 安装方式 | 立式安装、卧式安装 | ||||
材料明细表
| 序号 | 名称及规格 | 材料 |
| 1 | 底盖 | 25 |
| 2 | 内六角螺栓 | 35CrMo |
| 3 | 垫片 | 柔性石墨 |
| 4 | 阀体 | WCB |
| 5 | 下阀杆 | 2Cr13 |
| 6 | 球体 | WCB |
| 7 | 滑动轴承 | 铜基合金或不锈钢 |
| 8 | 垫片 | 柔性石墨 |
| 9 | 阀座+堆焊合金钢 | 25 |
| 10 | 阀座支承 | 25 |
| 11 | 内六角螺栓 | 35CrMo |
| 12 | 键 | 40Cr |
| 13 | 上阀杆 | 2Cr13 |
| 14 | 滑动轴承 | 铜基合金或不锈钢 |
| 15 | 填料垫 | 2Cr13 |
| 16 | 填料 | 柔性石墨 |
| 17 | 填料压盖 | WCB |
| 18 | 支架 | WCB |
| 19 | 螺柱 | 35CrMo |
| 20 | 螺母 | 45 |
| 21 | 螺柱 | 35CrMo |
| 22 | 螺母 | 45 |
| 23 | 螺柱 | 35CrMo |
| 24 | 螺母 | 45 |
| 25 | 键 | 40Cr |
| 26 | 手动操作器 | 组合件 |
主要零件材料
| 阀体 阀盖 | GB | WCB | ZG1Cr18Ni9Ti | ZG0Cr18Ni12Mo2Ti | ZG15Cr1Mo1V | |||
| ASTM | WCB | CF8 | CF8M | WC9 | ||||
| 球体 | GB | ZG2Cr13 | ZG1Cr18Ni9Ti 表面特殊处理 | ZG0Cr18Ni12Mo2Ti 表面特殊处理 | ZG15Cr1Mo1V 表面特殊处理 | |||
| ASTM | CA15 | CF8+HF | CF8M+HF | WC9+HF | ||||
| 阀杆 | GB | 2Cr13 | 1Cr18Ni9Ti | 0Cr18Ni12Mo2Ti | 25Cr2Mo2V | |||
| ASTM | 420 | 304 | 316 | F22a | ||||
| 阀座 | GB | PTFE | 2Cr13 | PTFE | 1Cr18Ni9Ti | PTFE | 0Cr18Ni12Mo2Ti | D517 |
| ASTM | PTFE | 420 | PTFE | 304 | PTFE | 316 | HF | |
| 填料 | GB | PTFE | 柔性石墨 | PTFE | 柔性石墨 | PTFE | 柔性石墨 | 柔性石墨 |
| ASTM | PTFE | 柔性石墨 | PTFE | 柔性石墨 | PTFE | 柔性石墨 | 柔性石墨 | |
| 螺栓 | GB | 35 | 0Cr18Ni9 | 0Cr18Ni9 | 15Cr1Mo1V | |||
| ASTM | A193 B7 | A320-B8 | A320-B8 | A193 B16 | ||||
| 螺母 | GB | 45 | 0Cr18Ni9 | 0Cr18Ni9 | 20CrMo | |||
| ASTM | A194 2H | A194-8 | A194-8 | A194-4 | ||||
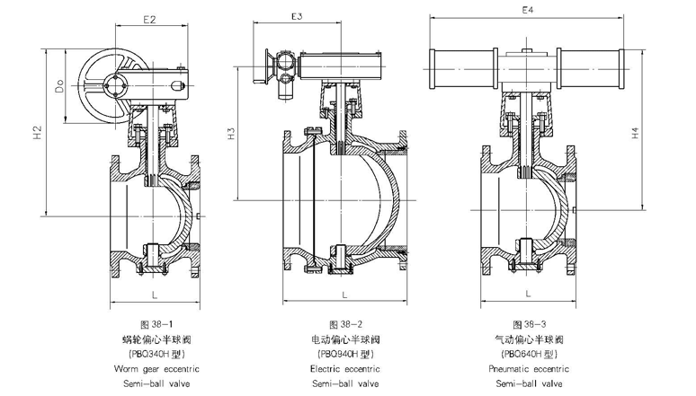
偏心半球阀,PBQ340H偏心半球阀尺寸图:




友情链接:没有资料