
一、防结露蝶阀概述
蜗轮防结露蝶阀采用铝合金阀体,其重量仅为传统蝶阀的三分之一,扭矩小,使用安装方便,杜绝锈蚀。防结露蝶阀特有的多层次渐进接触式阀座设计,使阀板在关闭过程中逐渐接触阀座,在保证良好的密封性能的同时,减少不必要的扭矩,加之不锈钢的蝶板和内件,从而延长阀门的使用寿命,具有很强的防锈和耐腐蚀功能。
二、防结露蝶阀参数表
| 公称通径:DN40-DN300 | 公称压力:1.0MPa | 适用介质:水 |
| 适用温度:0℃-120℃ | 阀体材质:铝合金 | 操作方式:蜗轮 |
三、防结露蝶阀的特点
1、超轻铝合金阀体,扭矩小,使用安装方便,杜绝锈蚀。
2、优异持久的密封性能。
3、扭矩减小实现了驱动装置的轻量化和小型化。
4、独有的阀杆密封环防止流体泄漏。
5、不同材质的阀座,适应不同的工况,具有良好的防腐和密封性能。
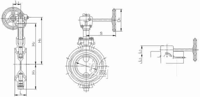
四、防结露蝶阀尺寸表

| DN | d | L | H1 | H2 | H3 | L1 | L2 | D1 |
| 40 | 42 | 33 | 70 | 145 | 51 | 47 | 68 | 250 |
| 50 | 52 | 43 | 82 | 145 | 51 | 47 | 68 | 250 |
| 65 | 67 | 46 | 90 | 157 | 51 | 47 | 68 | 250 |
| 80 | 80 | 46 | 99 | 165 | 51 | 47 | 68 | 250 |
| 100 | 102 | 52 | 112 | 183 | 51 | 57 | 68 | 250 |
| 125 | 126 | 56 | 132 | 196 | 60 | 63 | 86 | 330 |
| 150 | 150 | 56 | 146 | 214 | 60 | 63 | 86 | 330 |

| DN | d | L | H1 | H2 | H3 | L1 | L2 | L3 | S | D1 |
| 40 | 42 | 33 | 70 | 145 | 168 | 35 | 35 | 56 | 132 | 100 |
| 50 | 52 | 43 | 82 | 145 | 168 | 35 | 35 | 56 | 132 | 100 |
| 65 | 67 | 46 | 90 | 157 | 180 | 35 | 35 | 56 | 132 | 100 |
| 80 | 80 | 46 | 99 | 165 | 188 | 35 | 35 | 56 | 132 | 100 |
| 100 | 102 | 52 | 112 | 183 | 206 | 41 | 39 | 68 | 132 | 100 |
| 125 | 126 | 56 | 132 | 196 | 220 | 58 | 48 | 89 | 149 | 140 |
| 150 | 150 | 56 | 146 | 214 | 238 | 58 | 48 | 89 | 149 | 140 |
| 200 | 199 | 60 | 188 | 241 | 272 | 58 | 48 | 89 | 149 | 140 |
| 250 | 248 | 68 | 220 | 320 | 367 | 67 | 61 | 97 | 200 | 200 |
| 300 | 297 | 78 | 255 | 355 | 402 | 67 | 63 | 97 | 200 | 200 |
友情链接:没有资料